Разработка контроллера управления для ДГУ
- 作者: 1
-
隶属关系:
- Самарский государственный технический университет
- 期: 卷 1 (2025)
- 页面: 347-348
- 栏目: ЧАСТЬ I. Информационно-измерительная техника и технология
- ##submission.dateSubmitted##: 10.05.2025
- ##submission.dateAccepted##: 30.05.2025
- ##submission.datePublished##: 02.11.2025
- URL: https://consilium.orscience.ru/osnk-sr2025/article/view/679485
- ID: 679485
如何引用文章
全文:
详细
Обоснование. В настоящее время 90 % рынка контроллеров управления дизель-генераторной установкой (ДГУ) занимают продукты импортного производства, в большинстве своем из недружественных стран. Одна из проблем при эксплуатации ДГУ — низкая приемистость двигателя, выражающаяся в невозможности его работы при резком увеличении нагрузки. В связи с этим потребителям приходится использовать установки большей мощности, что вносит дополнительные экономические затраты (увеличение стоимости порядка 20 %, затраты на ГСМ) и повышенный износ двигателя [1].
Цель — разработка специализированного контроллера управления для дизель-генераторной установки, позволяющего обеспечить необходимую корректировку параметров и увеличить приемистость двигателя установки.
Методы. Для решения поставленной задачи были использованы метод измерения параметров нагрузки по мгновенным значениям [2], а также ПИД-регулятор, использующий нечеткую логику.
Результаты. Разработан прототип контроллера, способный обеспечить работу ДГУ при значительной перегрузке. Структурная схема приведена на рис. 1.
Рис. 1. Структурная схема контроллера
Измерения СКЗ по каждой фазе А, В, С осуществляются синхронно в произвольные промежутки времени, используя активные фазовращатели для получения двух дополнительных значений напряжения U2, U3 и одного тока I2. Результирующие значения СКЗ тока и напряжения вычисляются по следующим формулам:
(1)
(2)
(3)
. (4)
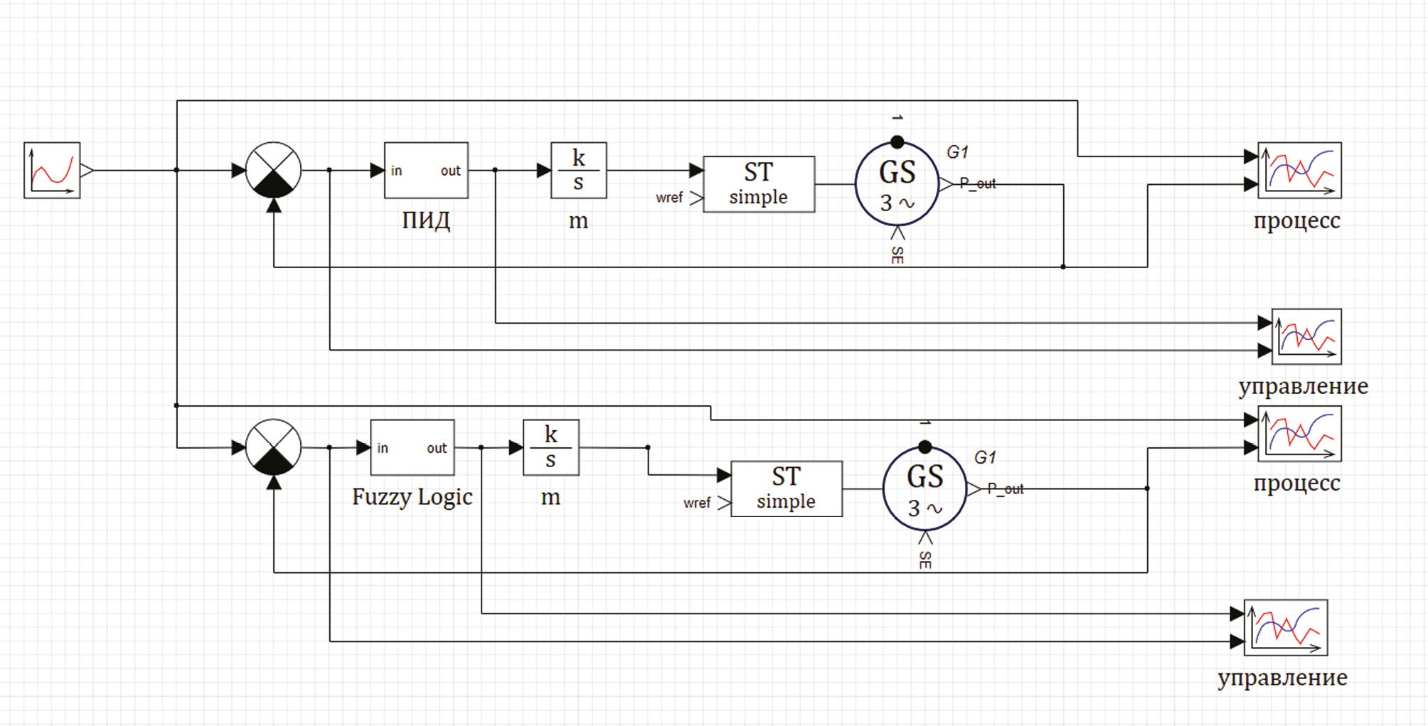
Для управления ДГУ был применен ПИД-регулятор на основе нечеткой логики. Отладка модели регулятора с генерацией управляющего кода выполнялась в среде динамического моделирования SimInTech. Модель регулятора приведена на рис. 2.
Рис. 2. Структура ПИД-регулятора, использующего нечеткую логику
Выводы. В ходе работы был разработан опытный образец контроллера. Первичные тесты показали перспективность дальнейшей разработки, определены этапы доработки. Полный текст статьи был опубликован в сборнике статей «Механизация и автоматизация строительства».
全文:
Обоснование. В настоящее время 90 % рынка контроллеров управления дизель-генераторной установкой (ДГУ) занимают продукты импортного производства, в большинстве своем из недружественных стран. Одна из проблем при эксплуатации ДГУ — низкая приемистость двигателя, выражающаяся в невозможности его работы при резком увеличении нагрузки. В связи с этим потребителям приходится использовать установки большей мощности, что вносит дополнительные экономические затраты (увеличение стоимости порядка 20 %, затраты на ГСМ) и повышенный износ двигателя [1].
Цель — разработка специализированного контроллера управления для дизель-генераторной установки, позволяющего обеспечить необходимую корректировку параметров и увеличить приемистость двигателя установки.
Методы. Для решения поставленной задачи были использованы метод измерения параметров нагрузки по мгновенным значениям [2], а также ПИД-регулятор, использующий нечеткую логику.
Результаты. Разработан прототип контроллера, способный обеспечить работу ДГУ при значительной перегрузке. Структурная схема приведена на рис. 1.
Рис. 1. Структурная схема контроллера
Измерения СКЗ по каждой фазе А, В, С осуществляются синхронно в произвольные промежутки времени, используя активные фазовращатели для получения двух дополнительных значений напряжения U2, U3 и одного тока I2. Результирующие значения СКЗ тока и напряжения вычисляются по следующим формулам:
(1)
(2)
(3)
. (4)
Для управления ДГУ был применен ПИД-регулятор на основе нечеткой логики. Отладка модели регулятора с генерацией управляющего кода выполнялась в среде динамического моделирования SimInTech. Модель регулятора приведена на рис. 2.
Рис. 2. Структура ПИД-регулятора, использующего нечеткую логику
Выводы. В ходе работы был разработан опытный образец контроллера. Первичные тесты показали перспективность дальнейшей разработки, определены этапы доработки. Полный текст статьи был опубликован в сборнике статей «Механизация и автоматизация строительства».
作者简介
Самарский государственный технический университет
编辑信件的主要联系方式.
Email: desyatovma10@gmail.com
студент, группа 4-ИАИТ-105, институт автоматики и информационных технологий, кафедра информационно-измерительной техники
俄罗斯联邦, Самара参考
- Охотников Б.Л. Эксплуатация двигателей внутреннего сгорания. Екатеринбург: Изд-во Урал. ун-та, 2014. 19 с. EDN: ZHEBCP
- Мелентьев В.С. Совершенствование методов измерений параметров гармонических сигналов по мгновенным значениям, разделенным в пространстве // Измерительная техника. 2017. № 1. С. 16–18. EDN: XRYWBH
补充文件







